中国人口接线_中国人口
日期:2021-03-23 类别:热点图片 浏览:
5. 下图为我国地理接线图,读图回答问题.
jpg,455x1021,37658b
数据来源:中国指数研究院综合整理_ 2、人口外溢_ 1小时城市圈扩围,推动一线城市人口外溢_ 高铁将促进沿线地区新兴城市群中心城市的人口增加.
jpeg,473x641,71012b
规划交通_ 2017年即将竣工的杭州湾跨海大桥余慈连接线和2017年下旬开工建设的杭甬高速复线;杭甬高速复线二期还将连接甬舟复线,直达宁波港与浙江自贸区,而且杭甬高速复线与新区的杭州湾新区东、西两个高速出入口互通.
jpg,314x600,27034b
三菱伺服al30.1报警怎么处理 三菱伺服电机怎么接线 中国自动化网 工控人 ...
,"height":563x506,42865b
哪位好心人有三菱plc fx2n 4ad 的中文接线图啊
jpeg,431x690,26899b
新京报记者拨打张掖市120急救中心电话,接线工作人员表示,暂未接到同地震有关的人员伤亡报告.
jpg,399x500,24031b
哪位好心人有三菱 fx2n 4ad 和fx2n 32mr plc的中文接线图啊
jpg,800x1200,157873b
中国人的一天 电波背后的 陌生人
jpg,339x530,116701b
高速公路连接线.
jpeg,600x800,72739b
深耕 本土化 助力中国西部外企从容应对疫情挑战
jpeg,800x553,96991b
杭州湾新区在中国未来的经济版图上能开创怎样的辉煌岁月呢
png,246x283,4493b
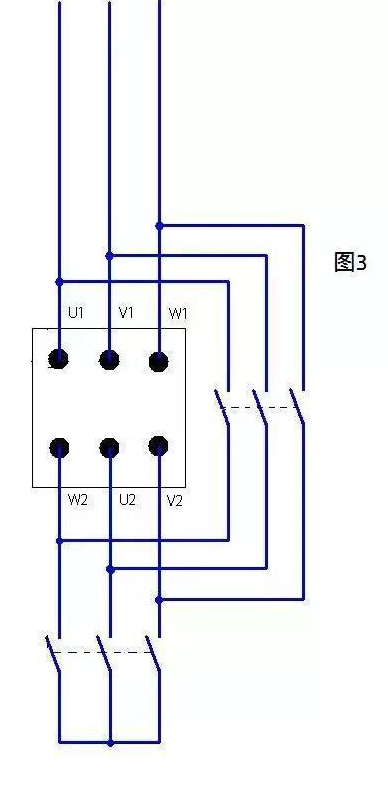
中国工控 星形 三角形启动原理 结交自动化技术人中国工控技术学习媒体
jpg,600x385,32178b
宁波人,春节 出行宝典 在此,躲避拥堵必看
jpg,721x1080,106671b
芯片行业大火,芯片工程师与猎头频繁接线,但中国芯片人才仍很缺
jpeg,405x640,36953b
电线接头用黑胶布还是ptc接线器 老电工看了都惭愧
png,786x388,84440b
电动机星形三角形启动原理
png,380x400,5339b
电动机星形三角形启动原理
jpg,389x323,7082b
电动机星形三角形启动原理
jpeg,536x496,24317b
电工师傅手把手教您 房子装修电线布置图解
jpg,355x462,34343b
二、申请人范围_ 中华人民共和国境内的自然人、法人和其他组织均可申请参加竞买,但有拖欠工程款及用地行为不良者除外,其中宗地2010-15、17、18、19、20、21号地块还须分别满足以下条件:_ 鼓山大桥连接线东南侧地块:_ \u003E\u003E各地块详情\u003C\u003C
推荐阅读
相关文章
- 总排名
- 每月排行
- 推荐阅读
- 阅读排行






















